■ バッテリー充電モジュール
バッテリー充電モジュール.png
原理ブロック図
バッテリー充電モジュール 原理ブロック図.png
製品選定表
Specification Model TR1007 TR1006 TR1005 TR1004 TR1003 TR1002
Rated output power (W) 3300
Rated output voltage (V) 24 48 72 108 144 360
Working mode Response mode
Communication mode CAN
Input Input voltage range 90Vac~265Vac
Input frequency range 46~65Hz
Start-up impact current ≤16A
Input power factor ≥0.99 (@220Vin, Pomax)
Output Output voltage range (V) 0-36 0-70 0-95 0-136 0-180 0-440
Output current range (A) 0-100 0-60 0-45 0-30 0-22 0-9
Voltage and current regulation accuracy ≤1% & ≤5%
Output response time ≤5s
Typical working efficiency ≥94%
Others Working noise ≤60 dB
Fault protection Dual redundancy of software and hardware
Working environment temperature -20℃~65℃
Working environment humidity 5%-95%
Body size (mm) 140*200*52
Body weight (kg) 2.5±0.2

■ DCDCコンバータモジュール
DCDCコンバータモジュール.png
原理ブロック図
DCDCコンバータモジュール 原理ブロック図.png
製品選定表
Specification Model TR2000 TR2001 TR2002 TR2006 TR2007
Rated output power (W) 1500 1800
Peak output power (W) 1800W@6min 2000W@6min
Rated output voltage (V) 14 28
Enable mode CAN enable/hardline enable/no enable
Input Rated input voltage (V) 144 360 540 360 540
Input voltage range (V) 80-200 200-450 400-700 200-450 400-700
Maximum input current (A) 16 8 5 8 5
Input pre-charge Built-in pre-charge
Output Output voltage range (V) 9-16 20-32
Output current range (A) 0-107 0-64
Output voltage regulation accuracy ±140 mV ±280 mV
Output response time ≤2s
Typical working efficiency ≥92% ≥93%
Others Working noise ≤60 dB
Fault protection Dual redundancy of software and hardware
Working environment temperature -20℃~65℃
Working environment humidity 5%-95%
Body size (mm) 120*200*52
Body weight (kg) 1.8±0.2

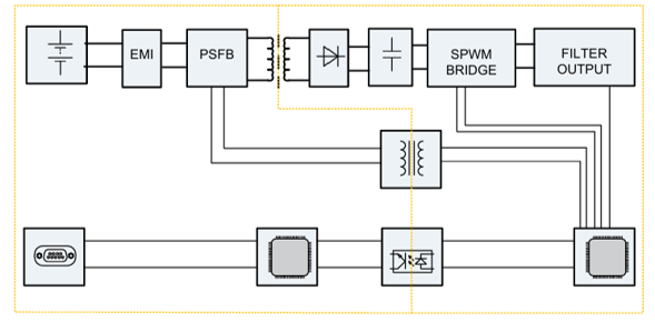
■ インバータモジュール
インバータモジュール.png
原理ブロック図
インバータモジュール 原理ブロック図.png
製品選定表
Specification Model TR4010 TR4013 TR4014 TR4016
Rated output power (W) 3000
AC output phase number Single-phase three-wire (L. N. PE.)
Working mode Response mode / Automatic mode
Communication mode CAN
Input Rated input voltage (V) 48 144 360 540
Input voltage range (V) 30-80 100-200 200-450 400-700
Rated input current (A) 60 22 9 6
Input pre-charge Built-in pre-charge
Output Rated output voltage (V) 220Vac
Rated output current (A) 13
Rated output frequency (Hz) ≤1% & ≤5%
Output response time ≤2s
Typical working efficiency ≥92%
Others Working noise ≤60 dB
Fault protection Dual redundancy of software and hardware
Working environment temperature -20℃~65℃
Working environment humidity 5%-95%
Body size (mm) 140*200*52
Body weight (kg) 2.5±0.2

製品についてのお問い合わせ

製品の詳細情報やお見積りなど、お気軽にご相談ください。

お問い合わせ